Мы используем cookie для наилучшего представления нашего сайта. Подробнее об этом в Политике конфиденциальности.
Ок

Курган

Ваш город:
Курган (Курганская область)?
Нет
Да
Каталог
Каталог Написать в WhatsApp
Мотоэкипировка

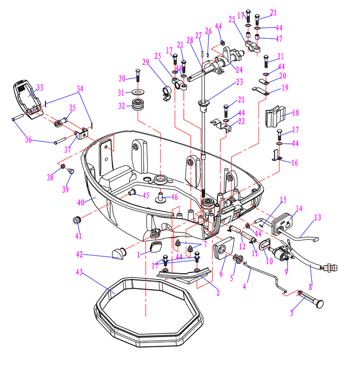
Запчасти для 4-х тактного ПЛМ HIDEA F8FHS

Запчасти для 4-х тактного ПЛМ HIDEA F8FHS в Тюмени: актуальный каталог, цены, фото, описание. Купите запчасти для 4-х тактного плм hidea f8fhs в кредит – оформите заявку онлайн за 1 минуту!
Для ускорения поиска, Ты можешь ввести здесь часть названия детали, например «Поршень»

On-line каталоги

Главная Магазины
Корзина0
Профиль