Мы используем cookie для наилучшего представления нашего сайта. Подробнее об этом в Политике конфиденциальности.
Ок

Курган

Ваш город:
Курган (Курганская область)?
Нет
Да
Каталог
Каталог Написать в WhatsApp
Мотоэкипировка

Топливный насос 2-х тактного ПЛМ MERCURY 25 М Серийный номер от 0N055505 и выше

Топливный насос 2-х тактного ПЛМ MERCURY 25 М Серийный номер от 0N055505 и выше в Тюмени: актуальный каталог, цены, фото, описание. Купите топливный насос 2-х тактного плм mercury 25 м серийный номер от 0n055505 и выше в кредит – оформите заявку онлайн за 1 минуту!

Оригинальные запчасти

Артикул НАИМЕНОВАНИЕ Кол-во деталей в узле Примечание Наличие Цена Аналоги Фото
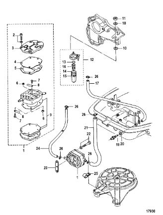
1 853729A1 Топливный насос (FUEL PUMP)

Под заказ

1

Под заказ

уточнить

Купить
2 823042071 SCREW

Под заказ

3

Под заказ

уточнить

Купить
3 853730 COVER

Под заказ

1

Под заказ

уточнить

Купить
4 853731 Диафрагма (DIAPHRAGM)

Под заказ

1

Под заказ

уточнить

Купить
5 8537031 Прокладка (GASKET)

Под заказ

1

Под заказ

уточнить

Купить
6 8537222 NUT

Под заказ

2

Под заказ

уточнить

Купить
7 853698 SCREW

Под заказ

2

Под заказ

уточнить

Купить
8 853732 Обратный клапан (CHECK VALVE)

Под заказ

2

Под заказ

уточнить

Купить
9 8537311 Диафрагма (DIAPHRAGM)

Под заказ

1

Под заказ

уточнить

Купить
10 8M0135942 WASHER

Под заказ

2

Под заказ

уточнить

Купить
11 400213 Гайка

Под заказ

1

Под заказ

уточнить

Купить
12 8M0088825 Топливный фильтр (FUEL FILTER KIT)

Под заказ

1

Под заказ

уточнить

Купить
13 8518151 Уплотнитель (O-RING)

Под заказ

1

Под заказ

уточнить

Купить
14 851815 Уплотнитель (O-RING)

Под заказ

1

Под заказ

уточнить

Купить
15 851815006 O-RING

Под заказ

1

Под заказ

уточнить

Купить
16 8537351 CUP

Под заказ

1

Под заказ

уточнить

Купить
17 853735002 CUP

Под заказ

1

Под заказ

уточнить

Купить
18 8537331 Фильтр топливный (FILTER)

Под заказ

1

Под заказ

уточнить

Купить
19 853733002 Фильтр (FILTER)

Под заказ

1

Под заказ

уточнить

Купить
20 851848006 HOSE, (150mm), Fuel

Под заказ

1

Под заказ

уточнить

Купить
21 17480 Гайка (NUT)

Под заказ

1

Под заказ

уточнить

Купить
22 853736 Топливный коннектор (FUEL CONNECTOR)

Под заказ

1

Под заказ

уточнить

Купить
23 803663017 Прокладка (GASKET)

Под заказ

1

Под заказ

уточнить

Купить
24 851848029 TUBING, (230mm)

Под заказ

1

Под заказ

уточнить

Купить
25 162451 SCREW

Под заказ

2

Под заказ

уточнить

Купить
26 8537022 *** Прокладка (GASKET)

Под заказ

1

Под заказ

уточнить

Купить
27 851848010 HOSE, Rubber (160mm)

Под заказ

1

Под заказ

уточнить

Купить
28 953951 CLAMP

Под заказ

1

Под заказ

уточнить

Купить
29 8M0084273 Набор прокладок дв.блока (GASKET SET)

Под заказ

1

Под заказ

уточнить

Купить

Нулевая цена не означает отсутствие товара. Оформите заказ, и менеджер сообщит вам цену и наличие товара, предварительно запросив их у поставщика

Главная Магазины
Корзина0
Профиль