Мы используем cookie для наилучшего представления нашего сайта. Подробнее об этом в Политике конфиденциальности.
Ок

Курган

Ваш город:
Курган (Курганская область)?
Нет
Да
Каталог
Каталог Написать в WhatsApp
Мотоэкипировка

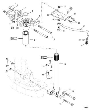
Рычаг рулевого управления 4-Х ТАКТНОГО ПЛМ MERCURY 40 Серийный номер от 1C049739 и выше

Рычаг рулевого управления 4-Х ТАКТНОГО ПЛМ MERCURY 40 Серийный номер от 1C049739 и выше в Тюмени: актуальный каталог, цены, фото, описание. Купите рычаг рулевого управления 4-х тактного плм mercury 40 серийный номер от 1c049739 и выше в кредит – оформите заявку онлайн за 1 минуту!

Оригинальные запчасти

Артикул НАИМЕНОВАНИЕ Кол-во деталей в узле Примечание Наличие Цена Аналоги Фото
1 896963 Гайка (NUT)

Под заказ

2

Под заказ

уточнить

Купить
2 893773002 STRAP, Upper Mount

Под заказ

1

Под заказ

уточнить

Купить
3 893655T Амортизатор верх. (MOUNT, Upper)

Под заказ

2

Под заказ

уточнить

Купить
4 826658 Пластина аммортизатора (BUMPER)

Под заказ

1

Под заказ

уточнить

Купить
5 89531 Стопор (RETAINING RING, BALL BEARING)

Под заказ

1

Под заказ

уточнить

Купить
6 8M0118183 ARM-STEERING

Под заказ

1

Под заказ

уточнить

Купить
7 898835001 SCREW, (M12 x 154)

Под заказ

2

Под заказ

уточнить

Купить
8 8279973 Втулка (SPACER)

Под заказ

1

Под заказ

уточнить

Купить
9 8279971 SPACER

Под заказ

1

Под заказ

уточнить

Купить
10 850175T03 Труба (SWIVEL TUBE ASSEMBLY, Short)

Под заказ

1

Под заказ

уточнить

Купить
11 893590T03 SWIVEL TUBE ASSEMBLY, Long

Под заказ

1

Под заказ

уточнить

Купить
12 88238A4 GROUND STRAP (3-3/8")

Под заказ

1

Под заказ

уточнить

Купить
13 88238A13 Кабель (CABLE ASSEMBLY, Ground)

Под заказ

1

Под заказ

уточнить

Купить
14 8M0103829 Болт (SCREW)

Под заказ

2

Под заказ

уточнить

Купить
15 893703 STRAP, Lower Mount

Под заказ

1

Под заказ

уточнить

Купить
16 878607 SCREW, (#10-16 x .375)

Под заказ

3

Под заказ

уточнить

Купить
17 40140 Гайка М10 (NUT @2)

Под заказ

2

Под заказ

уточнить

Купить
18 8M0026161 Рулевая штанга (ROD-LINK)

Под заказ

1

Под заказ

уточнить

Купить
19 823919 Болт (SCREW@5)

Под заказ

1

Под заказ

уточнить

Купить
20 71970 Шайба (WASHER)

Под заказ

1

Под заказ

уточнить

Купить
21 37828 Шайба (WASHER)

Под заказ

2

Под заказ

уточнить

Купить
22 826709113 Гайка (NUT-.375-24 NYL I)

Под заказ

1

Под заказ

уточнить

Купить
23 893696 BRACKET

Под заказ

1

Под заказ

уточнить

Купить
24 8M0009820 Шайба-проставка (TAB WASHER)

Под заказ

1

Под заказ

уточнить

Купить
25 4000377 Болт (SCREW)

Под заказ

2

Под заказ

уточнить

Купить
26 4002319 Шайба (WASHER@3)

Под заказ

2

Под заказ

уточнить

Купить

Нулевая цена не означает отсутствие товара. Оформите заказ, и менеджер сообщит вам цену и наличие товара, предварительно запросив их у поставщика

Главная Магазины
Корзина0
Профиль