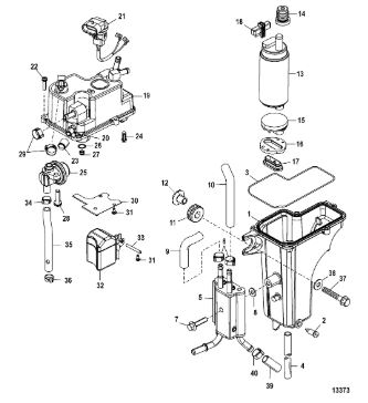
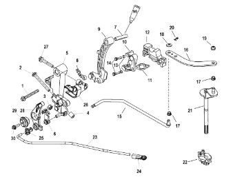
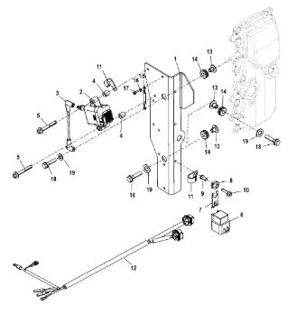
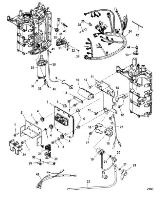
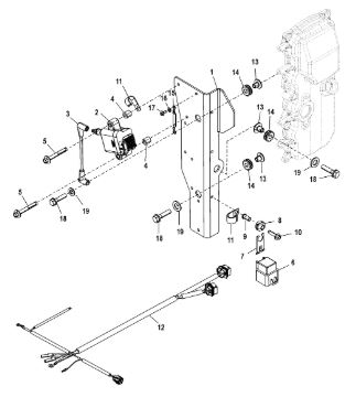
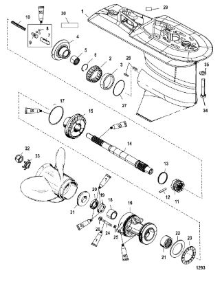
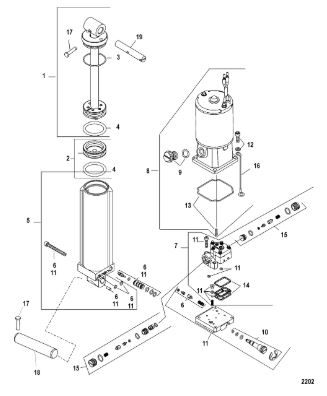
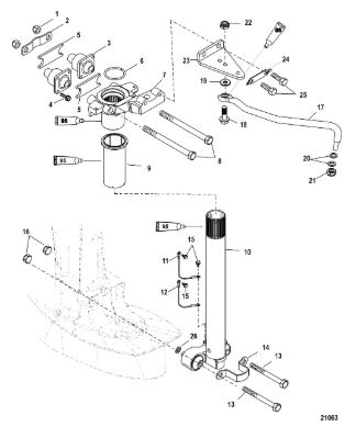
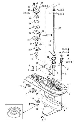
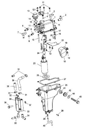
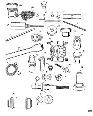
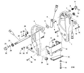
Запчасти для 4-х тактного ПЛМ MERCURY 60 Серийный номер от 0P153500 до 0P400999
Запчасти для 4-х тактного ПЛМ MERCURY 60 Серийный номер от 0P153500 до 0P400999
Запчасти для 4-х тактного ПЛМ MERCURY 60 Серийный номер от 0P153500 до 0P400999 в Тюмени: актуальный каталог, цены, фото, описание. Купите запчасти для 4-х тактного плм mercury 60 серийный номер от 0p153500 до 0p400999 в кредит – оформите заявку онлайн за 1 минуту!
Указана ориентировочная сумма ежемесячной оплаты. Подробнее уточняйте у менеджера
Вернем до 10% бонусами при оплате наличными или по счету. Бонусами можно оплатить 10% от стоимости при покупке экипировки, аксессуаров, запчастей, велосипедов и т.д. (все товары, кроме техники).
Гарантируем цены ниже или вернем 110% разницы. Если вы нашли дешевле, сообщите нам, отправьте ссылку на
товар, мы проверим, если магазин является официальным дилером и обновления не является «приманкой с заниженной
ценой», мы сделаем Вам скидку в 110% от разницы цены, у нас цена гарантированно будет ниже!