Мы используем cookie для наилучшего представления нашего сайта. Подробнее об этом в Политике конфиденциальности.
Ок

Курган

Ваш город:
Курган (Курганская область)?
Нет
Да
Каталог
Каталог Написать в WhatsApp
Мотоэкипировка

Редуктор 4-Х ТАКТНОГО ПЛМ SEA-PRO F9.8А

Редуктор 4-Х ТАКТНОГО ПЛМ SEA-PRO F9.8А в Тюмени: актуальный каталог, цены, фото, описание. Купите редуктор 4-х тактного плм sea-pro f9.8а в кредит – оформите заявку онлайн за 1 минуту!

Оригинальные запчасти

Артикул НАИМЕНОВАНИЕ Кол-во деталей в узле Примечание Наличие Цена Аналоги Фото
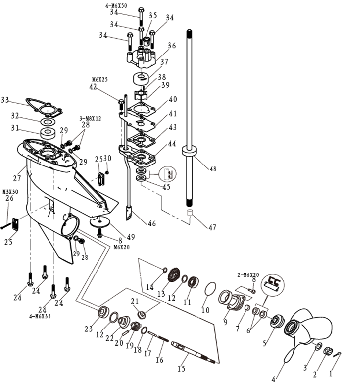
1 F9.8-07000000 Редуктор в сборе

Под заказ

1

Под заказ

уточнить

Купить
2 GB/T91-2000 Шплинт гайки винта 3x30

Под заказ

1

Под заказ

уточнить

Купить
3 GB/T9458-88 Гайка винта M10X1.25

Под заказ

1

Под заказ

уточнить

Купить
4 GB/T96.1-85 Шайба 10*28*2

Под заказ

1

Под заказ

уточнить

Купить
5 F9.8-07110000 Винт гребной

Под заказ

1

Под заказ

уточнить

Купить
6 F9.8-07000015 Упорная шайба винта

Под заказ

1

Под заказ

уточнить

Купить
7 F9.8-07090004 Сальник вала винта 15х28х10

Под заказ

1

Под заказ

уточнить

Купить
8 F9.8-07090003 Втулка 15*17*16.5

Под заказ

1

Под заказ

уточнить

Купить
9 GB/T5789-2000 Лодочный мотор Yamabisi - Т9.9-Т15 Болт М6х20

Под заказ

2

Под заказ

уточнить

Купить
10 F9.8-07090001 Стакан редуктора

Под заказ

1

Под заказ

уточнить

Купить
11 F9.8-07090002 Кольцо стакана редуктора 50x3.2

Под заказ

1

Под заказ

уточнить

Купить
12 F9.8-07030000 Подшипник шестерни з/х Φ20*Φ37*12

Под заказ

1

Под заказ

уточнить

Купить
13 F9.8-07090006 Шайба

Под заказ

1

Под заказ

уточнить

Купить
14 F9.8-07090005 Шестерня заднего хода

Под заказ

1

Под заказ

уточнить

Купить
15 F9.8-07080006 Шайба

Под заказ

1

Под заказ

уточнить

Купить
16 F9.8-07080001 Вал винта

Под заказ

1

Под заказ

уточнить

Купить
17 F9.8-07080002 Пружина вала включения сцепления Φ6.5*57 δ=1.0

Под заказ

1

Под заказ

уточнить

Купить
18 F9.8-07080004 Вал включения сцепления

Под заказ

1

Под заказ

уточнить

Купить
19 F9.8-07080007 Пружина муфты сцепления Φ25*1

Под заказ

1

Под заказ

уточнить

Купить
20 F9.8-07080003 Муфта сцепления Φ29*20

Под заказ

1

Под заказ

уточнить

Купить
21 GB/T119.2-2000 Шпонка шестерни ГРМ 4х10мм, сталь GB/T119.2-2000

Под заказ

1

Под заказ

уточнить

Купить
22 F9.8-07050006 Шестерня ведущая

Под заказ

1

Под заказ

уточнить

Купить
23 F9.8-07040000 Шестерня переднего хода

Под заказ

1

Под заказ

уточнить

Купить
24 F9.8-07020000 Подшипник шестерни п/х 6204

Под заказ

1

Под заказ

уточнить

Купить
25 GB/T5789-2000 Лодочный мотор Yamabisi - Т9.9-Т15 Болт М6х20

Под заказ

2

Под заказ

уточнить

Купить
26 F9.8-07000012 Решетка водозабора

Под заказ

2

Под заказ

уточнить

Купить
27 GB/T823-88 Болт M4*30

Под заказ

1

Под заказ

уточнить

Купить
28 F9.8-07000016 Корпус редуктора

Под заказ

1

Под заказ

уточнить

Купить
29 GB/T6182-86 Лодочный мотор Yamabisi - F9.9-F15 Гайка стопорная 5

Под заказ

1

Под заказ

уточнить

Купить
30 NSKF1520 Подшипник торсионного вала

Под заказ

1

Под заказ

уточнить

Купить
31 F9.8-07050005 Шайба-прокладка

Под заказ

1

Под заказ

уточнить

Купить
32 F9.8-07000009 Прокладка основания помпы

Под заказ

1

Под заказ

уточнить

Купить
33 GB/T5789-2000 Лодочный мотор Yamabisi - Т9.9-Т15 Болт М6х20

Под заказ

4

Под заказ

уточнить

Купить
34 F9.8-07000001 Втулка трубки охлаждения

Под заказ

1

Под заказ

уточнить

Купить
35 F9.8-07000002 Корпус помпы Φ37.5*18.5

Под заказ

1

Под заказ

уточнить

Купить
36 F9.8-07000003 Стакан помпы Φ36*17.8*Φ13

Под заказ

1

Под заказ

уточнить

Купить
37 F9.8-07000005 Штырь направляющий корпуса помпы

Под заказ

1

Под заказ

уточнить

Купить
38 F9.8-07100000 Крыльчатка помпы

Под заказ

1

Под заказ

уточнить

Купить
39 F9.8-07000004 Прокладка корпуса помпы

Под заказ

1

Под заказ

уточнить

Купить
40 F9.8-07000006 Зеркало помпы

Под заказ

1

Под заказ

уточнить

Купить
41 GB/T5789-2000 Лодочный мотор Yamabisi - Т9.9-Т15 Болт М6х20

Под заказ

1

Под заказ

уточнить

Купить
42 F9.8-07000013 Прокладка помпы

Под заказ

1

Под заказ

уточнить

Купить
43 F9.8-07060001 Основание помпы

Под заказ

1

Под заказ

уточнить

Купить
44 F9.8-07060002 Сальник вертикального вала

Под заказ

2

Под заказ

уточнить

Купить
45 F9.8-07070000 Шток п/п

Под заказ

1

Под заказ

уточнить

Купить
46 F9.8-07060000 Вертикальный вал

Под заказ

1

Под заказ

уточнить

Купить
47 CM3V1602170A Анод

Под заказ

1

Под заказ

уточнить

Купить
48 F9.8-07000007 Резиновая прокладка

Под заказ

1

Под заказ

уточнить

Купить
49 F9.8-07000008 Вкладыш прокладки

Под заказ

1

Под заказ

уточнить

Купить

Нулевая цена не означает отсутствие товара. Оформите заказ, и менеджер сообщит вам цену и наличие товара, предварительно запросив их у поставщика

Главная Магазины
Корзина0
Профиль