Мы используем cookie для наилучшего представления нашего сайта. Подробнее об этом в Политике конфиденциальности.
Ок

Курган

Ваш город:
Курган (Курганская область)?
Нет
Да
Каталог
Каталог Написать в WhatsApp
Мотоэкипировка

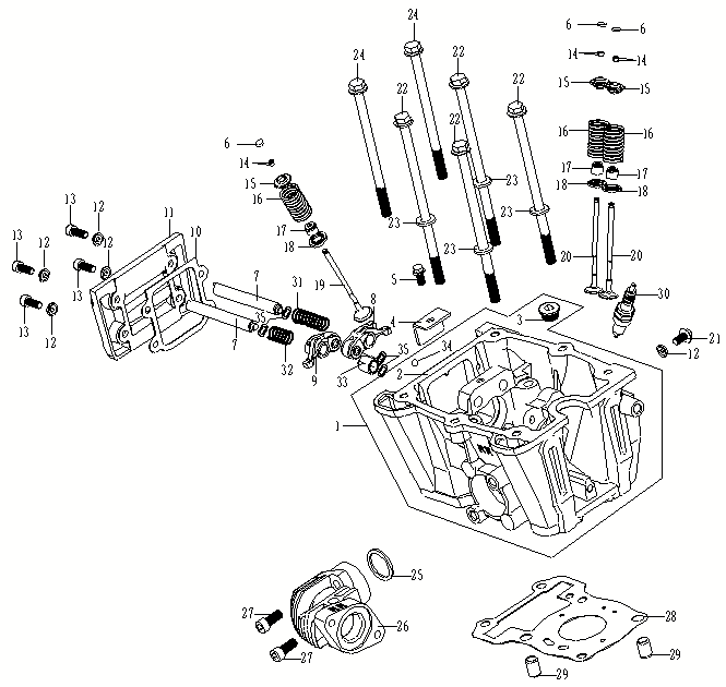
Головка цилиндра, задняя часть МОТОЦИКЛА BENDA FUNRIDER 125

Оригинальные запчасти

Артикул НАИМЕНОВАНИЕ Кол-во деталей в узле Примечание Наличие Цена Аналоги Фото
1 242V0.990001 Головка в сборе,цилиндр,задний

Под заказ

1

Под заказ

уточнить

Купить
2 242V0.122100 Головка комплекта,цилиндр,задний

Под заказ

1

Под заказ

уточнить

Купить
3 26700.122012 Пробка,16×1,5

Под заказ

1

Под заказ

уточнить

Купить
4 258V0.122012 Пластина,карманный вал

Под заказ

1

Под заказ

уточнить

Купить
5 05789.060120 Болт,фланец,тяжелая серия,6x12

Под заказ

1

Под заказ

уточнить

Купить
6 242V0.122022 Шайба,волна

Под заказ

3

Под заказ

уточнить

Купить
7 258V0.122015 Вал, курс

Под заказ

2

Под заказ

уточнить

Купить
8 242V0.122200 Рокер комп., в. клапан

Под заказ

1

Под заказ

уточнить

Купить
9 242V0.122500 Рокер комп., эксп. клапан

Под заказ

1

Под заказ

уточнить

Купить
10 258V0.122002 Прокладка,боковая крышка головки цилиндров

Под заказ

1

Под заказ

уточнить

Купить
11 258V0.122001 Крышка,сторона головки цилиндра

Под заказ

1

Под заказ

уточнить

Купить
12 26700.122011 Шайба специальная

Под заказ

5

Под заказ

уточнить

Купить
13 00070.060160 Болт,гнездо,6x16

Под заказ

4

Под заказ

уточнить

Купить
14 242V0.122009 Шпилька,клапан

Под заказ

6

Под заказ

уточнить

Купить
15 242V0.122011 Верхнее седло,пружина клапана

Под заказ

3

Под заказ

уточнить

Купить
16 242V0.122007 Пружина клапана

Под заказ

3

Под заказ

уточнить

Купить
17 242V0.122006 Уплотнение,шток клапана

Под заказ

3

Под заказ

уточнить

Купить
18 242V0.122005 Нижнее седло,пружина клапана

Под заказ

3

Под заказ

уточнить

Купить
19 242V0.122003 Клапан,впускной

Под заказ

2

Под заказ

уточнить

Купить
20 242V0.122004 Клапан,выхлопный

Под заказ

1

Под заказ

уточнить

Купить
21 05787.060120 Болт,фланец,6x12

Под заказ

1

Под заказ

уточнить

Купить
22 05789.081552 Болт,фланец,8x155

Под заказ

4

Под заказ

уточнить

Купить
23 0T002.091720 Шайба,медная,8.5x17x2

Под заказ

2

Под заказ

уточнить

Купить
24 05789.081402 Болт,фланец,8x140

Под заказ

2

Под заказ

уточнить

Купить
25 21Q0B.272020 Прокладка,соединение ex.трубы

Под заказ

1

Под заказ

уточнить

Купить
26 242V0.122400 Прокладка,головка цилиндра

Под заказ

1

Под заказ

уточнить

Купить
27 00001.110016 Дюбель-штифт, 11x16

Под заказ

2

Под заказ

уточнить

Купить
28 258V0.122400 Свеча,искренная

Под заказ

1

Под заказ

уточнить

Купить
29 242V0.122017 Пружина впускного коромысла

Под заказ

1

Под заказ

уточнить

Купить
30 242V0.122018 Пружина вала выпускного коромысла

Под заказ

1

Под заказ

уточнить

Купить
31 242V0.122012 Втулка коромысла

Под заказ

1

Под заказ

уточнить

Купить
32 00308.000005 стальной шар¢5

Под заказ

1

Под заказ

уточнить

Купить
33 258V0.122014 Шайба, волна

Под заказ

4

Под заказ

уточнить

Купить

Нулевая цена не означает отсутствие товара. Оформите заказ, и менеджер сообщит вам цену и наличие товара, предварительно запросив их у поставщика

Главная Магазины
Корзина0
Профиль